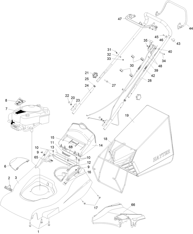
560H Upper Mainframe 316000101316999999

Other Product Diagrams
Items marked as ‘add to cart’ or ‘in-stock’ will typically be dispatched within 3-5 working days. For items marked as ‘out of stock’ or ‘available to order,’ we will place an order with the manufacturer. The dispatch time for these items may vary depending on their stock levels.







